Разговоры технического плана. Ремонт, характеристики, запчасти и т.д.
-
alexauto2005
- член клуба АмАвто
- Сообщения: 352
- Зарегистрирован: 08 май 2010, 00:14
- Откуда: Россия,Тула
-
Контактная информация:
Сообщение
alexauto2005 » 15 авг 2012, 21:46
AlexRIV писал(а):
Я же написал что езжу каждый день, а утечка проявляется только при простое. А резистор печки приговорил автоэлектрик, а что, есть обоснованные доводы опровергающие этот приговор?- ну так озвучте), я изначально просил об этом)). И, мне в данном случае не причину утечки установить нужно, а причину некорректной работы моторчика, а то что эта некорректная работа сажает АКБ лишь мое предположение которое будет подтверждено/опровергнуто после устранения неисправности климата.
А на каком основании автоэлектрик приговорил резистор ??? Что обороты вентилятора печки не изменяются при повороте регулятора на блоке климата?Если обороты вентилятора изменяются,то резистор можно "подарить" электрику на память о неправильной диагностике.Моторчик никаким боком независит от резистора печки.То что они работают в одной системе - управление климатом,не говорит ни о чем.Некорректная работа моторчика,если он не отключается после постановки авто на штатную сигнализацию,говорит о том что нужно смотреть блок управления климатом.
DODGE CARAVAN 93 3.0L Silver

-
Николай Пименов
- Ветеран клуба АмАвто
- Сообщения: 28351
- Зарегистрирован: 20 окт 2007, 23:03
- Откуда: Самара
Сообщение
Николай Пименов » 15 авг 2012, 21:59
А блок управления климатом рулит и моторчиком, и резистором, и от одного может подглючивать другое (видел странные закономерности в автоэлектрике).
-
AlexRIV
- Ветеран клуба АмАвто
- Сообщения: 3704
- Зарегистрирован: 08 авг 2008, 21:01
Сообщение
AlexRIV » 15 авг 2012, 22:55
alexauto2005 писал(а):AlexRIV писал(а):
Я же написал что езжу каждый день, а утечка проявляется только при простое. А резистор печки приговорил автоэлектрик, а что, есть обоснованные доводы опровергающие этот приговор?- ну так озвучте), я изначально просил об этом)). И, мне в данном случае не причину утечки установить нужно, а причину некорректной работы моторчика, а то что эта некорректная работа сажает АКБ лишь мое предположение которое будет подтверждено/опровергнуто после устранения неисправности климата.
А на каком основании автоэлектрик приговорил резистор ??? Что обороты вентилятора печки не изменяются при повороте регулятора на блоке климата?Если обороты вентилятора изменяются,то резистор можно "подарить" электрику на память о неправильной диагностике.Моторчик никаким боком независит от резистора печки.То что они работают в одной системе - управление климатом,не говорит ни о чем.Некорректная работа моторчика,если он не отключается после постановки авто на штатную сигнализацию,говорит о том что нужно смотреть блок управления климатом.
Я не задавал ему тех вопросов в которых не понимаю, он сказал 90% что резистор, причем сразу как я по телефону назвал симптомы. Сказал что если он ошибся то без проблем купит резистор. Так что я не загоняясь сразу его заказал.
-
Vision
- Ветеран клуба АмАвто
- Сообщения: 2193
- Зарегистрирован: 30 апр 2012, 12:02
- Откуда: Краснодар
Сообщение
Vision » 16 авг 2012, 01:42
Автор прав,это скорее всего резистор-он каким то раком завязан с хитросхемами климата

сегодня "пытал" авто электрика,и этот вредный дядька тоже склоняется к резистору или "неправильной"проводке,ну и глюкам мозгов

-
alexauto2005
- член клуба АмАвто
- Сообщения: 352
- Зарегистрирован: 08 май 2010, 00:14
- Откуда: Россия,Тула
-
Контактная информация:
Сообщение
alexauto2005 » 16 авг 2012, 01:54
seregaVSvision писал(а):Автор прав,это скорее всего резистор-он каким то раком завязан с хитросхемами климата

сегодня "пытал" авто электрика,и этот вредный дядька тоже склоняется к резистору или "неправильной"проводке,ну и глюкам мозгов

Завтра найду и выложу схему,там посмотрим кто виноват в неправильной работе моторчика.Хотя на 300М при открывании двери водителя он включается и работает постоянно,пока не поставишь авто на штатную сигналку.
DODGE CARAVAN 93 3.0L Silver

-
Tapkin
- Ветеран клуба АмАвто
- Сообщения: 1888
- Зарегистрирован: 31 мар 2008, 14:35
Сообщение
Tapkin » 16 авг 2012, 09:42
Лично я тоже сильно сомневаюсь в резисторе. Если он сломан, ну будет вентилятор молотить на полных оборотах или наоборот на маленьких.
Но вот при постановке на сигналку не важно в каком положении был резистор.
-
Николай Пименов
- Ветеран клуба АмАвто
- Сообщения: 28351
- Зарегистрирован: 20 окт 2007, 23:03
- Откуда: Самара
Сообщение
Николай Пименов » 16 авг 2012, 13:23
Если сопротивления в плечах не совпадают с расчетными именно для этого блока климата, то его подключение может вызывать различные эффекты. Просто электроника внутри блока "сойдет с ума". Не факт, но вполне может.
-
alexauto2005
- член клуба АмАвто
- Сообщения: 352
- Зарегистрирован: 08 май 2010, 00:14
- Откуда: Россия,Тула
-
Контактная информация:
Сообщение
alexauto2005 » 16 авг 2012, 23:09
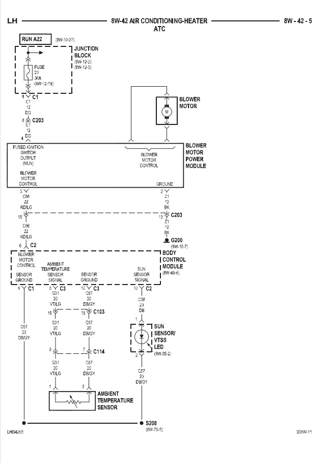
Схемы нашел.
Сейчас попробую выложить.
Только скажу сразу резистор не при чем...
DODGE CARAVAN 93 3.0L Silver

-
alexauto2005
- член клуба АмАвто
- Сообщения: 352
- Зарегистрирован: 08 май 2010, 00:14
- Откуда: Россия,Тула
-
Контактная информация:
Сообщение
alexauto2005 » 16 авг 2012, 23:22
И ещё одна схемка
Это все схемы которые есть в крайслеровском мануале по климату.
DODGE CARAVAN 93 3.0L Silver

-
Николай Пименов
- Ветеран клуба АмАвто
- Сообщения: 28351
- Зарегистрирован: 20 окт 2007, 23:03
- Откуда: Самара
Сообщение
Николай Пименов » 16 авг 2012, 23:34
Честно говоря, в варианте АТС (т.е. климат-контроль) вообще не наблюдаю блока резисторов... И есть подозрение, что несмотря ни на что проводка таки не та, т.е. не от климата, а от обычной схемы...
-
alexauto2005
- член клуба АмАвто
- Сообщения: 352
- Зарегистрирован: 08 май 2010, 00:14
- Откуда: Россия,Тула
-
Контактная информация:
Сообщение
alexauto2005 » 16 авг 2012, 23:38
Николай Пименов писал(а):Честно говоря, в варианте АТС (т.е. климат-контроль) вообще не наблюдаю блока резисторов... И есть подозрение, что несмотря ни на что проводка таки не та, т.е. не от климата, а от обычной схемы...
Проводка в смысле на автомобиле?
Вот и я не нашел резистора по схеме,наверно крайслер его специально в схеме не нарисовал...

DODGE CARAVAN 93 3.0L Silver

-
Николай Пименов
- Ветеран клуба АмАвто
- Сообщения: 28351
- Зарегистрирован: 20 окт 2007, 23:03
- Откуда: Самара
Сообщение
Николай Пименов » 16 авг 2012, 23:42
Резистор-то есть, но не в варианте климат-контроля. И проводка заметно отличается у вариантов...
-
AlexRIV
- Ветеран клуба АмАвто
- Сообщения: 3704
- Зарегистрирован: 08 авг 2008, 21:01
Сообщение
AlexRIV » 17 авг 2012, 13:30
Все верно, резистор есть)), у климата он свой (фото1 в след сообщении), у кондея свой (фото2 в след сообщении), они разные и фишки разные и панели они-же блоки климата/нондея с разными фишками, так как можно по вашему на проводку кондея климат подцепить? Проводка заменена вся, именно под климат, я уже говорил, поэтому не переливайте из пустого в порожнее, дело не в ней- 500%. На фото климата с обратной стороны тот самый моторчик.
-
Вложения
-

- панель кандея
-

- обратная сторона панели кандея
-

- панель климата
-

- панель климата с обратной стороны
-

- моторчик климата
-
AlexRIV
- Ветеран клуба АмАвто
- Сообщения: 3704
- Зарегистрирован: 08 авг 2008, 21:01
Сообщение
AlexRIV » 17 авг 2012, 13:32
резисторы
-
Вложения
-

- резистор климата
-

- резистор кондея