Pontiac Grand Prix не заводится

Разговоры технического плана. Ремонт, характеристики, запчасти и т.д.
Аватара пользователя
alexauto2005
член клуба АмАвто
Сообщения: 352
Зарегистрирован: 08 май 2010, 00:14
Откуда: Россия,Тула
Контактная информация:

Pontiac Grand Prix не заводится

Сообщение alexauto2005 » 15 май 2012, 23:01

Подскажите кто знает.
Проблема такая:
Автомобиль долго стоял,теперь не можем запустить мотор.
Топливо в топливной рейке есть,искра есть.А вот форсунки не открываются.
Может есть у кого схема системы управления двигателем,поделитесь пожалуйста.
Автомобиль Pontiac Grand Prix 1991г 3.1L MPFI
DODGE CARAVAN 93 3.0L Silver
Изображение
Аватара пользователя
Quadra
Ветеран клуба АмАвто
Сообщения: 3956
Зарегистрирован: 22 июн 2008, 12:45
Откуда: София, Болгария
Контактная информация:

Re: Pontiac Grand Prix не заводится

Сообщение Quadra » 18 май 2012, 02:26

Может на них элементарно плюс не идет. У них плюс постоянный, РСМ их на массу подключает чтобы открыть. Проверь есть ли +12V на форсах.
Dodge Durango 5.9 с ГБО "Зеленый тепловоз"

Изображение
Аватара пользователя
alexauto2005
член клуба АмАвто
Сообщения: 352
Зарегистрирован: 08 май 2010, 00:14
Откуда: Россия,Тула
Контактная информация:

Re: Pontiac Grand Prix не заводится

Сообщение alexauto2005 » 19 май 2012, 00:43

+12V на них приходит,вот минуса на открывание нет.
Где он потерялся ума не преложу.Хоть бы схема была грамотная,было бы проще.
DODGE CARAVAN 93 3.0L Silver
Изображение
Аватара пользователя
Quadra
Ветеран клуба АмАвто
Сообщения: 3956
Зарегистрирован: 22 июн 2008, 12:45
Откуда: София, Болгария
Контактная информация:

Re: Pontiac Grand Prix не заводится

Сообщение Quadra » 19 май 2012, 23:46

Может РСМ сдох... короче схема нужна....
Dodge Durango 5.9 с ГБО "Зеленый тепловоз"

Изображение
Аватара пользователя
alexauto2005
член клуба АмАвто
Сообщения: 352
Зарегистрирован: 08 май 2010, 00:14
Откуда: Россия,Тула
Контактная информация:

Re: Pontiac Grand Prix не заводится

Сообщение alexauto2005 » 20 май 2012, 01:24

Может кто поделится схемкой на пончика?
DODGE CARAVAN 93 3.0L Silver
Изображение
Аватара пользователя
Zhukovsky
Уважаемый член клуба
Сообщения: 554
Зарегистрирован: 03 сен 2008, 21:47
Откуда: Балашиха

Re: Pontiac Grand Prix не заводится

Сообщение Zhukovsky » 20 май 2012, 13:23

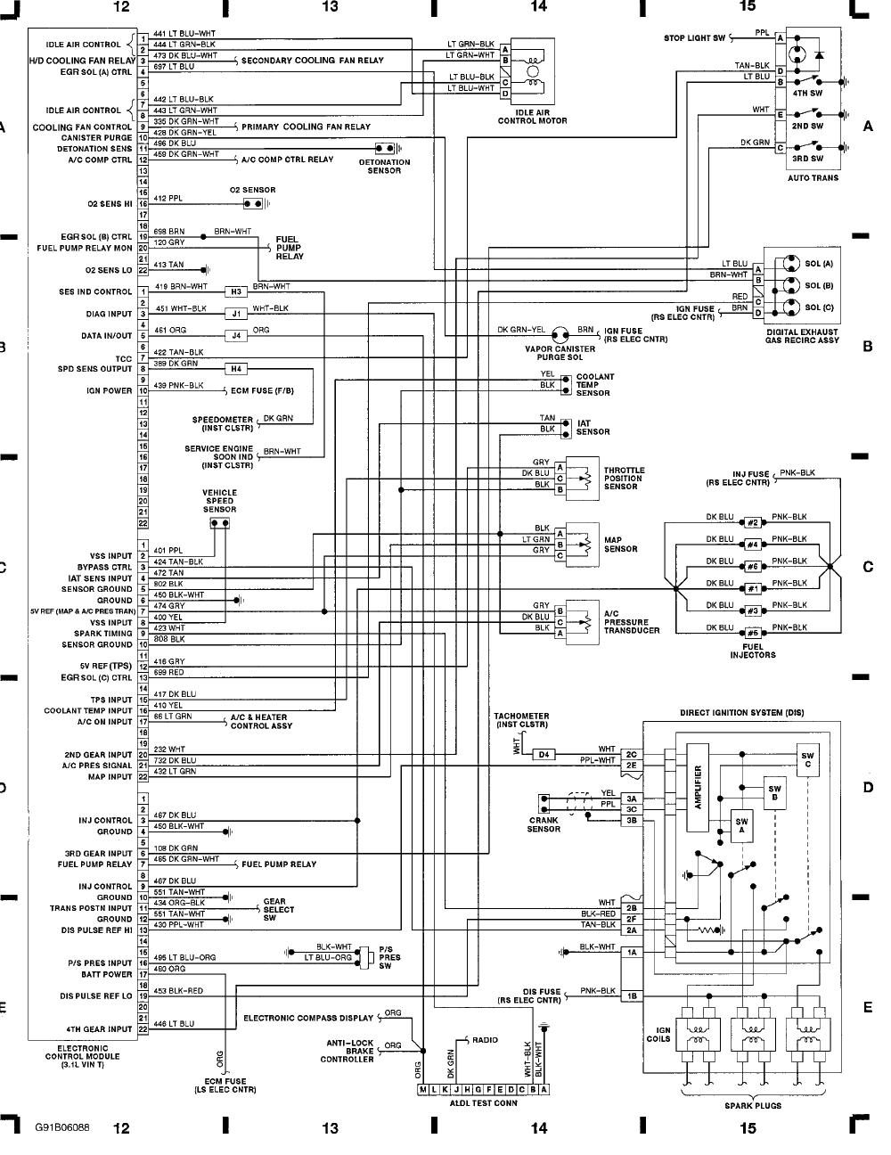
вот
Вложения
elect engine control 3.1L VIN T.png
Ford FIVE HUNDRED 2005
Jeep Cherokee 2006
Дмитрий
Аватара пользователя
Quadra
Ветеран клуба АмАвто
Сообщения: 3956
Зарегистрирован: 22 июн 2008, 12:45
Откуда: София, Болгария
Контактная информация:

Re: Pontiac Grand Prix не заводится

Сообщение Quadra » 20 май 2012, 21:26

Они все вместе работают? Идиоты мля, я думал только англичане такую тупость сделать могут, ан нет, GM - то тоже разве что паровозы не делал в то время... Нафига многоточечный впрыск если все льют вместе... офигеваю от такого кретинизма...
Dodge Durango 5.9 с ГБО "Зеленый тепловоз"

Изображение
Аватара пользователя
Николай Пименов
Ветеран клуба АмАвто
Сообщения: 28351
Зарегистрирован: 20 окт 2007, 23:03
Откуда: Самара

Re: Pontiac Grand Prix не заводится

Сообщение Николай Пименов » 20 май 2012, 22:30

Последовательный впрыск появился в следующем поколении блоков управления двигателем. В тот год у Форда тоже все сразу брызгали.
Изображение
Изображение
Аватара пользователя
Quadra
Ветеран клуба АмАвто
Сообщения: 3956
Зарегистрирован: 22 июн 2008, 12:45
Откуда: София, Болгария
Контактная информация:

Re: Pontiac Grand Prix не заводится

Сообщение Quadra » 20 май 2012, 23:50

а толку то какого от этого? ТВІ бы оставили....
Dodge Durango 5.9 с ГБО "Зеленый тепловоз"

Изображение
Аватара пользователя
Николай Пименов
Ветеран клуба АмАвто
Сообщения: 28351
Зарегистрирован: 20 окт 2007, 23:03
Откуда: Самара

Re: Pontiac Grand Prix не заводится

Сообщение Николай Пименов » 21 май 2012, 00:08

Бензин+воздух смешиваются не во всем объеме впускного коллектора - меньше риск "обратной тяги". Это так, навскидку.
Изображение
Изображение
Аватара пользователя
Quadra
Ветеран клуба АмАвто
Сообщения: 3956
Зарегистрирован: 22 июн 2008, 12:45
Откуда: София, Болгария
Контактная информация:

Re: Pontiac Grand Prix не заводится

Сообщение Quadra » 21 май 2012, 00:45

Да, для самолета WWII важно, а в остальном глупость...
Dodge Durango 5.9 с ГБО "Зеленый тепловоз"

Изображение
Аватара пользователя
Николай Пименов
Ветеран клуба АмАвто
Сообщения: 28351
Зарегистрирован: 20 окт 2007, 23:03
Откуда: Самара

Re: Pontiac Grand Prix не заводится

Сообщение Николай Пименов » 21 май 2012, 01:06

Смайлик пропустил...
Изображение
Изображение
Аватара пользователя
alexauto2005
член клуба АмАвто
Сообщения: 352
Зарегистрирован: 08 май 2010, 00:14
Откуда: Россия,Тула
Контактная информация:

Re: Pontiac Grand Prix не заводится

Сообщение alexauto2005 » 21 май 2012, 16:52

Quadra писал(а):Они все вместе работают? Идиоты мля, я думал только англичане такую тупость сделать могут, ан нет, GM - то тоже разве что паровозы не делал в то время... Нафига многоточечный впрыск если все льют вместе... офигеваю от такого кретинизма...

Нет они не все вместе льют.
Они по очереди брызгают.
Это немножко не та схема.
Я краем глаза смотрел книжку по Гранд Аму,там есть схемка мотора 3.1L
И все форсунки работают отдельно.
А VIN T - это что ?Если год выпуска,то у пончика буква М
На всякий случай двигатель LH031L2MF
DODGE CARAVAN 93 3.0L Silver
Изображение
Аватара пользователя
Zhukovsky
Уважаемый член клуба
Сообщения: 554
Зарегистрирован: 03 сен 2008, 21:47
Откуда: Балашиха

Re: Pontiac Grand Prix не заводится

Сообщение Zhukovsky » 21 май 2012, 21:47

Других схем нет. Двигатели 2.3л, 3.1л, 3.4л. Источник - Mitchel OnDemand5.

C 93 года пошли схемы с последовательным включением форсунок.
Ford FIVE HUNDRED 2005
Jeep Cherokee 2006
Дмитрий
Аватара пользователя
ua1cbm
член клуба АмАвто
Сообщения: 352
Зарегистрирован: 01 янв 2011, 16:49
Откуда: Санкт-Петербург/Кировск

Re: Pontiac Grand Prix не заводится

Сообщение ua1cbm » 21 май 2012, 23:47

Чек инжин загорается, когда зажигание включаете?
Ford Crown Victoria, 1997, 4.6L - Daily Driver
Ford 1994, E150 4.9L - продан ; Ford Expedition, 1997, 5.4L - продан
Тарасы все проданы(G1 2.5L MT5 1987,G1 3.0L 1988, G2 3.0L 1992, G2 1995 3.8L StationWagon)
Ответить