хрень какаето)
-
- Ценитель
- Сообщения: 115
- Зарегистрирован: 04 дек 2005, 13:43
- Откуда: moskov
- Контактная информация:
хрень какаето)
значит начал разбираться с поворотником синий проводочек идйт с переди и самодельно врезаеться в жолтый при таком положении стоп горит но поворотник не моргает ,откручиваю проводок всё моргает но не работает стоп,причём на фишке синий заход есть а выход в сам поворотник на обратной фишке его нет ,дальше интереснее всё вернул как было синий примотал к жолтому и не понял,при нажатом тормозе и включёном поворотнике в лево загораеться лампы на приборке и качает бензонасос причём ключа в замке нет ,как будто я вставил ключ и повернул в первое положение ,вопрос что за провод и для чего так сделано причём когда реально ключ поворачиваеш то стеклоподёмники и всё остальное работает как надо ,но поворотник не моргает а просто горит отпускаеш тормоз поворотник моргает,ето только в левую сторону в право всё нормально,помогите разобраться.
- Scorp
- Уважаемый член клуба
- Сообщения: 616
- Зарегистрирован: 23 янв 2006, 22:29
- Откуда: Московская обл. Жуковский
Re: схема
Могу, но вечером с домашнего компа.faerbird писал(а):а можеш выложить
?
Куда выкладывать? Сюда или куда еще?
Будущее принадлежит тому, кто верит в красоту своей мечты!
Pontiac Firebird 3.1
Jeep Commander 4,7 (Зимний вариант)
Pontiac Firebird 3.1
Jeep Commander 4,7 (Зимний вариант)
- Scorp
- Уважаемый член клуба
- Сообщения: 616
- Зарегистрирован: 23 янв 2006, 22:29
- Откуда: Московская обл. Жуковский
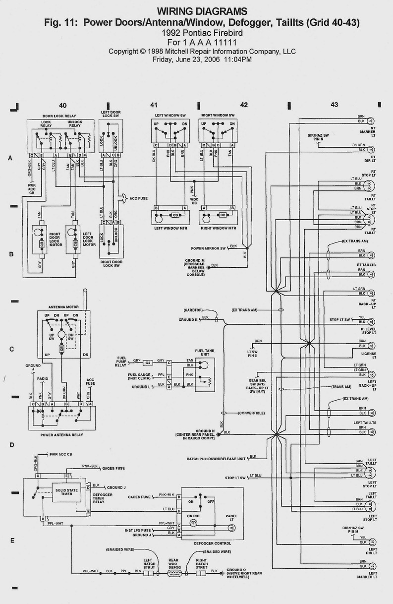
Вот тебе схема, проверяй.... 

- Вложения
-
- scan0001a.jpg
- (204.01 КБ) 706 скачиваний
Будущее принадлежит тому, кто верит в красоту своей мечты!
Pontiac Firebird 3.1
Jeep Commander 4,7 (Зимний вариант)
Pontiac Firebird 3.1
Jeep Commander 4,7 (Зимний вариант)