2 din автомагнитола на Дишн 1

Разговоры технического плана. Ремонт, характеристики, запчасти и т.д.
Аватара пользователя
Fylhtq
Ветеран клуба АмАвто
Сообщения: 4252
Зарегистрирован: 29 май 2008, 10:56
Откуда: Москва, Медведково/Северное Бутово

2 din автомагнитола на Дишн 1

Сообщение Fylhtq » 08 сен 2010, 15:15

Скажите пожалуйста к такой магнитоле можно подключить штатный сабвуфер ?
http://www.autotechmarket.com/product/p ... log-kitaj/
были:
Джип Гранд Чероки 2000г 4,7л АКПП Квадра-Драйв, лифт 2"
Форд Экспидишн 1998г 5,4л АКПП Эдик
Джип Гранд Чероки 1996г 5,2л АКПП

Андрей
Аватара пользователя
Aerostar
Ветеран клуба АмАвто
Сообщения: 17661
Зарегистрирован: 09 янв 2008, 15:57
Откуда: Псков

Re: 2 din автомагнитола на Дишн 1

Сообщение Aerostar » 08 сен 2010, 17:19

А у тебя штатный саб как подключается? То бишь он активный или пассивный? Если активный, то в теории можно взять один из аудиовыходов и кинуть на вход саба, если пассивный, то цепь такова: аудиовыход-усил-саб.
Ford Aerostar 3.0 '93
Ford Contour 2.0 '95
С5 2.0 '05
Аватара пользователя
Fylhtq
Ветеран клуба АмАвто
Сообщения: 4252
Зарегистрирован: 29 май 2008, 10:56
Откуда: Москва, Медведково/Северное Бутово

Re: 2 din автомагнитола на Дишн 1

Сообщение Fylhtq » 09 сен 2010, 10:03

а я незнаю какой он :shock: акустика вся штатная, хрен знает какая она :oops:
были:
Джип Гранд Чероки 2000г 4,7л АКПП Квадра-Драйв, лифт 2"
Форд Экспидишн 1998г 5,4л АКПП Эдик
Джип Гранд Чероки 1996г 5,2л АКПП

Андрей
Аватара пользователя
Николай Пименов
Ветеран клуба АмАвто
Сообщения: 28351
Зарегистрирован: 20 окт 2007, 23:03
Откуда: Самара

Re: 2 din автомагнитола на Дишн 1

Сообщение Николай Пименов » 09 сен 2010, 10:17

Штатная Фордовая музыка как правило устроена таким образом, что поменять можно только всё целиком, ничего со штатным не вяжется. Вплоть до замены проводов.
Изображение
Изображение
Аватара пользователя
игрок
Ветеран клуба АмАвто
Сообщения: 23154
Зарегистрирован: 13 янв 2007, 01:54
Откуда: Спб

Re: 2 din автомагнитола на Дишн 1

Сообщение игрок » 09 сен 2010, 10:36

осень... дни становятся короче... птицы собираются на юг...белочки делают запасы... а андрюху опять прихватило :-)
Cadillac Escalade 6.2 '11
Dodge RamVan 2500 5.9 '97
Chevrolet Avalanche 5.3 '04 -=Sold=-
Dodge Durango 4.7 '00 -=Sold=-
Ford Eхplorer 4.0 '97 -=Sold=-

I live in Russia.
I wear fufaika, valenki and shapka–ushanka.
I drink vodka right from the samovar, and my bear plays on the balalaika.
Аватара пользователя
Aerostar
Ветеран клуба АмАвто
Сообщения: 17661
Зарегистрирован: 09 янв 2008, 15:57
Откуда: Псков

Re: 2 din автомагнитола на Дишн 1

Сообщение Aerostar » 09 сен 2010, 10:47

В-общем, нравится - бери. Безвыходных ситуаций не бывает, если что, придётся ещё раскошелиться на усилок. :) Ну на крайняк - останешься без саба. :) Неплохо бы, конечно, схему подключения данного девайса из его мануала...
Ford Aerostar 3.0 '93
Ford Contour 2.0 '95
С5 2.0 '05
Аватара пользователя
Aerostar
Ветеран клуба АмАвто
Сообщения: 17661
Зарегистрирован: 09 янв 2008, 15:57
Откуда: Псков

Re: 2 din автомагнитола на Дишн 1

Сообщение Aerostar » 09 сен 2010, 10:48

Николай Пименов писал(а):Штатная Фордовая музыка как правило устроена таким образом, что поменять можно только всё целиком, ничего со штатным не вяжется. Вплоть до замены проводов.
Ну мне на Аэро так сделать и пришлось - а то "-" динамиков посажен на корпус... :shock:
Ford Aerostar 3.0 '93
Ford Contour 2.0 '95
С5 2.0 '05
Аватара пользователя
Fylhtq
Ветеран клуба АмАвто
Сообщения: 4252
Зарегистрирован: 29 май 2008, 10:56
Откуда: Москва, Медведково/Северное Бутово

Re: 2 din автомагнитола на Дишн 1

Сообщение Fylhtq » 09 сен 2010, 11:03

игрок писал(а):осень... дни становятся короче... птицы собираются на юг...белочки делают запасы... а андрюху опять прихватило :-)
:lol: :lol:
с накладками отпустило до весны, а с музыкой что то прихватило :lol:
были:
Джип Гранд Чероки 2000г 4,7л АКПП Квадра-Драйв, лифт 2"
Форд Экспидишн 1998г 5,4л АКПП Эдик
Джип Гранд Чероки 1996г 5,2л АКПП

Андрей
Аватара пользователя
Aerostar
Ветеран клуба АмАвто
Сообщения: 17661
Зарегистрирован: 09 янв 2008, 15:57
Откуда: Псков

Re: 2 din автомагнитола на Дишн 1

Сообщение Aerostar » 09 сен 2010, 11:13

А на Экспы ставилась музыка с экранами? Если нет, то люди ставят...
http://cars.auto.ru/cars/used/sale/6965608-8a7d.html
Вопрос только в цене... :)
Ford Aerostar 3.0 '93
Ford Contour 2.0 '95
С5 2.0 '05
Аватара пользователя
Николай Пименов
Ветеран клуба АмАвто
Сообщения: 28351
Зарегистрирован: 20 окт 2007, 23:03
Откуда: Самара

Re: 2 din автомагнитола на Дишн 1

Сообщение Николай Пименов » 09 сен 2010, 11:25

Проблемы поставить нету, вопрос в том, что с уже действующей системой это не сращивается, а ставиться целиком.

Очень часто усилок и голова имеют связь с диф. сигналом, причем кроссоверы (СЧ/ВЧ) встроены в усилок... Это тянет за собой замену всех динамиков (вместе с проводами, если уж полезли), соответственно, нью усилок или использование для основных каналов усилителей головы... И т.д., что кратко звучит так: просто новая музыка, без оглядки на то, что там есть (и например как условие выдвигаем использование штатного динамика саба в его штатном ящике), по-другому не выйдет. Как вриант - сначала посмотреть существующую электросхему (для этого мне надо немного времени - грузят по работе).
Изображение
Изображение
Аватара пользователя
Fylhtq
Ветеран клуба АмАвто
Сообщения: 4252
Зарегистрирован: 29 май 2008, 10:56
Откуда: Москва, Медведково/Северное Бутово

Re: 2 din автомагнитола на Дишн 1

Сообщение Fylhtq » 09 сен 2010, 12:39

Николай буду очень признателен, посмотри пожалуйста...
еще раз повторю основной вопрос:
к данной магнитоле подключатся штатные динамики и штатный саб ?
были:
Джип Гранд Чероки 2000г 4,7л АКПП Квадра-Драйв, лифт 2"
Форд Экспидишн 1998г 5,4л АКПП Эдик
Джип Гранд Чероки 1996г 5,2л АКПП

Андрей
Аватара пользователя
Николай Пименов
Ветеран клуба АмАвто
Сообщения: 28351
Зарегистрирован: 20 окт 2007, 23:03
Откуда: Самара

Re: 2 din автомагнитола на Дишн 1

Сообщение Николай Пименов » 09 сен 2010, 15:06

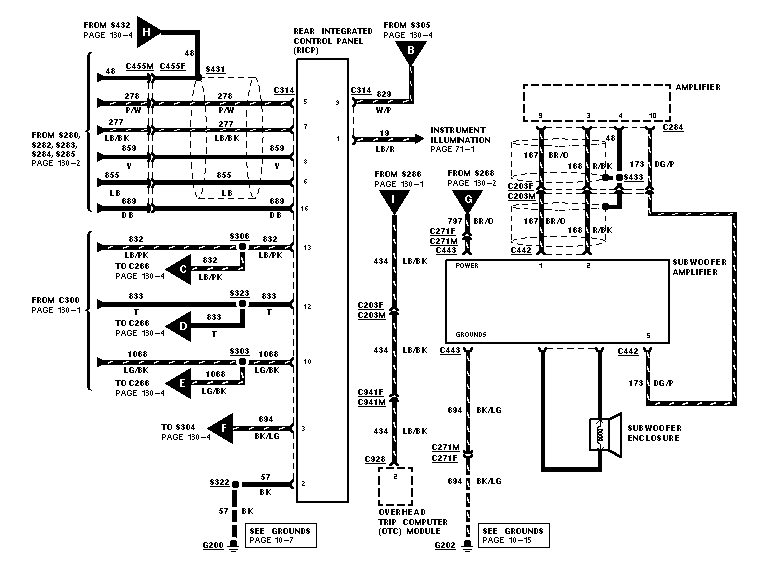
НИ К КАКОЙ не подключатся.
Ибо посмотрел.
Вот твои схемы.
Вложения
3.gif
2.gif
1.gif
Изображение
Изображение
Аватара пользователя
Николай Пименов
Ветеран клуба АмАвто
Сообщения: 28351
Зарегистрирован: 20 окт 2007, 23:03
Откуда: Самара

Re: 2 din автомагнитола на Дишн 1

Сообщение Николай Пименов » 09 сен 2010, 15:07

Последний лист.
Вложения
4.gif
Изображение
Изображение
Аватара пользователя
Fylhtq
Ветеран клуба АмАвто
Сообщения: 4252
Зарегистрирован: 29 май 2008, 10:56
Откуда: Москва, Медведково/Северное Бутово

Re: 2 din автомагнитола на Дишн 1

Сообщение Fylhtq » 09 сен 2010, 15:15

эх, жаль конечно.... Спасибо, опустил меня на землю....
а вот если более менее грамотно все делать, но как можно бюджетнее, что нужно покупать?
голову допустим возьму ту которую указал, а что еще нужно докупить?
были:
Джип Гранд Чероки 2000г 4,7л АКПП Квадра-Драйв, лифт 2"
Форд Экспидишн 1998г 5,4л АКПП Эдик
Джип Гранд Чероки 1996г 5,2л АКПП

Андрей
Аватара пользователя
Николай Пименов
Ветеран клуба АмАвто
Сообщения: 28351
Зарегистрирован: 20 окт 2007, 23:03
Откуда: Самара

Re: 2 din автомагнитола на Дишн 1

Сообщение Николай Пименов » 09 сен 2010, 15:33

усь 1-2 канала под саб, 4 динамика Коаксиалы 6х8 дюйма, метров 20 акустического провода, межблочник на 1/2 канала (для саба) метров на 5-6, силовой провод для уся (можно попробовать запитаться от штатной проводки к родному усю, но это вряд ли...). Чейнджер к голове - по вкусу. Динамики в принципе можно заюзать родные, если совсем плохо.
Изображение
Изображение
Ответить