Разговоры технического плана. Ремонт, характеристики, запчасти и т.д.
-
Пскопской
- член клуба АмАвто
- Сообщения: 476
- Зарегистрирован: 17 окт 2008, 15:14
- Откуда: г.Псков
Сообщение
Пскопской » 29 янв 2010, 18:20
При включении мигают один-два раза и всё... реле соответствующее количество раз щёлкает и перестаёт...
Накрылось реле?

з.ы. Аварийка работает исправно.
Последний раз редактировалось
Пскопской 29 янв 2010, 19:21, всего редактировалось 1 раз.
Вольный бедуин...
Мне стыдно вписывать сюда свою машину.
-
Пскопской
- член клуба АмАвто
- Сообщения: 476
- Зарегистрирован: 17 окт 2008, 15:14
- Откуда: г.Псков
Сообщение
Пскопской » 29 янв 2010, 18:37
Коль, может ещё подскажешь, где его найти в машине...

Вольный бедуин...
Мне стыдно вписывать сюда свою машину.
-
Пскопской
- член клуба АмАвто
- Сообщения: 476
- Зарегистрирован: 17 окт 2008, 15:14
- Откуда: г.Псков
Сообщение
Пскопской » 29 янв 2010, 21:52
Народ, у кого есть мануал по Дишн/Гаторам, просветите по месторасположению реле поворотников плиззз...

Вольный бедуин...
Мне стыдно вписывать сюда свою машину.
-
Николай Пименов
- Ветеран клуба АмАвто
- Сообщения: 28351
- Зарегистрирован: 20 окт 2007, 23:03
- Откуда: Самара
Сообщение
Николай Пименов » 29 янв 2010, 23:04
А, блин, мне Эскалада привиделась в подписи!
Счас посмотрим. чё там как...
-
Scorp
- Уважаемый член клуба
- Сообщения: 616
- Зарегистрирован: 23 янв 2006, 22:29
- Откуда: Московская обл. Жуковский
Сообщение
Scorp » 29 янв 2010, 23:17
Потерпи до утра, все нашел, завтра распечатаю....
Будущее принадлежит тому, кто верит в красоту своей мечты!
Pontiac Firebird 3.1
Jeep Commander 4,7 (Зимний вариант)
-
игрок
- Ветеран клуба АмАвто
- Сообщения: 23155
- Зарегистрирован: 13 янв 2007, 01:54
- Откуда: Спб
Сообщение
игрок » 30 янв 2010, 01:38
миш, а если хошь срочно, то зайди на форд-тракс и пошукай там поиском. есть там и мануалы, и эл схемы, да и поднимался этот вопрос в обсуждении.
Cadillac Escalade 6.2 '11
Dodge RamVan 2500 5.9 '97
Chevrolet Avalanche 5.3 '04 -=Sold=-
Dodge Durango 4.7 '00 -=Sold=-
Ford Eхplorer 4.0 '97 -=Sold=-
I live in Russia.
I wear fufaika, valenki and shapka–ushanka.
I drink vodka right from the samovar, and my bear plays on the balalaika.
-
Scorp
- Уважаемый член клуба
- Сообщения: 616
- Зарегистрирован: 23 янв 2006, 22:29
- Откуда: Московская обл. Жуковский
Сообщение
Scorp » 30 янв 2010, 10:41
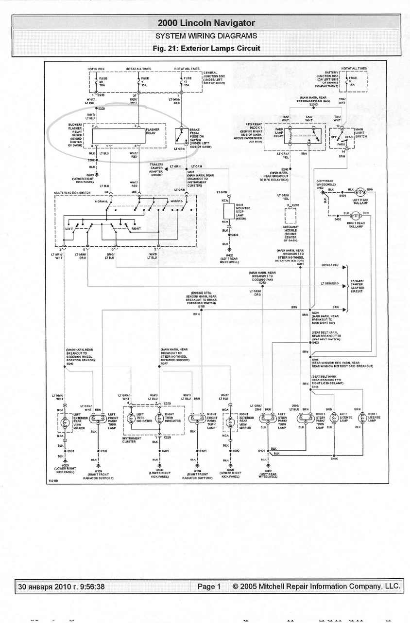
Вот, держи....
-
Вложения
-

- До кучи, на вырост...
-

- План наступления
-

- Схемка
Будущее принадлежит тому, кто верит в красоту своей мечты!
Pontiac Firebird 3.1
Jeep Commander 4,7 (Зимний вариант)
-
Пскопской
- член клуба АмАвто
- Сообщения: 476
- Зарегистрирован: 17 окт 2008, 15:14
- Откуда: г.Псков
Сообщение
Пскопской » 30 янв 2010, 10:46
На Форд Тракс региться нужно, да и чёта напугали меня, дескать народ там злой и неприветливый...
Вроде пацаны тут уже обещают посмотреть.
Вольный бедуин...
Мне стыдно вписывать сюда свою машину.
-
Пскопской
- член клуба АмАвто
- Сообщения: 476
- Зарегистрирован: 17 окт 2008, 15:14
- Откуда: г.Псков
Сообщение
Пскопской » 30 янв 2010, 10:54
Скорп, спасибо!

За "До кучи, на вырост..." тоже спасибо, но лучше не каркать...

Исходя из схемы проводки реле поворотов не в блоке у меня стоит, а отдельно гдето под рулём...

Будем искать.
Вольный бедуин...
Мне стыдно вписывать сюда свою машину.
-
Scorp
- Уважаемый член клуба
- Сообщения: 616
- Зарегистрирован: 23 янв 2006, 22:29
- Откуда: Московская обл. Жуковский
Сообщение
Scorp » 30 янв 2010, 11:42
Михаил Пскопской писал(а):Скорп, спасибо!

За "До кучи, на вырост..." тоже спасибо, но лучше не каркать...

Исходя из схемы проводки реле поворотов не в блоке у меня стоит, а отдельно гдето под рулём...

Будем искать.
Про "на вырост", это я в шутку, и про повышение технического уровня.

Да и ты на давление масла жаловался....
P.S. Миш, а ты с какаго года а то у нас Д.Р. в один день оказывается

Будущее принадлежит тому, кто верит в красоту своей мечты!
Pontiac Firebird 3.1
Jeep Commander 4,7 (Зимний вариант)
-
Пскопской
- член клуба АмАвто
- Сообщения: 476
- Зарегистрирован: 17 окт 2008, 15:14
- Откуда: г.Псков
Сообщение
Пскопской » 30 янв 2010, 12:35
С давлением всё нормализовалось, было пару раз при морозе -31...
Я с 1970г.

Вольный бедуин...
Мне стыдно вписывать сюда свою машину.
-
Scorp
- Уважаемый член клуба
- Сообщения: 616
- Зарегистрирован: 23 янв 2006, 22:29
- Откуда: Московская обл. Жуковский
Сообщение
Scorp » 30 янв 2010, 12:57
А я 1966

Будущее принадлежит тому, кто верит в красоту своей мечты!
Pontiac Firebird 3.1
Jeep Commander 4,7 (Зимний вариант)
-
Пскопской
- член клуба АмАвто
- Сообщения: 476
- Зарегистрирован: 17 окт 2008, 15:14
- Откуда: г.Псков
Сообщение
Пскопской » 30 янв 2010, 13:18
О... а я думал я старый...

Вольный бедуин...
Мне стыдно вписывать сюда свою машину.